For several oil & gas installation operators Orchid have produced a Training Manual to support the Operating Procedures Manual. The Training Manual is aimed at trainee operators and contains equipment lists, location data and drawings, theory of equipment / plant function information, plant description, details of interfaces with other systems and safety information.


The manual breaks the plant down into systems and for each system provides information under the following main headings:
THEORY
The Theory subsection may not be applicable to all systems. Provides information on why a particular system or item of equipment was chosen and how it functions. Supported by drawings which illustrate the points covered in the text.
INTRODUCTION
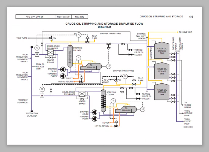
Identifies the limits of the system, lists the major items of equipment, details the system purpose, and the objectives of the manual section. Supported by a simplified drawing of the system.
SYSTEM DESCRIPTION
Provides a general overview of the system and the purpose of the equipment in it. Supported by the simplified drawing of the system.
LOCATION AND EQUIPMENT DETAILS
Provides equipment location plans with system equipment highlighted. Supported by tables of major equipment and its main parameters.
OPERATING PRINCIPLES
Describes how the system / equipment functions and is operated and controlled. Supported by P&IDs / SLDs and tables of system / equipment instruments and control elements with all control/alarm/trip setpoints.
INTERFACES
Provides details of how the subject system relates to other systems.
HAZARDS
Provides details of potential hazards arising from the operation of the system with regard to risk to personnel, equipment, and the environment.
SAFETY SYSTEMS
Provides an overview description of the installation shutdown philosophy and the shutdown hierarchy. It then describes in detail how this applies to the subject system. Supported by startup and shutdown flowcharts and the relevant SAFE/C&E Charts.
Other Manual Types can be seen here.


























